Notícias
PONTO MEMÓRIA. MÊS DA CONSCIÊNCIA NEGRA: Matemática, origens africanas e suas contribuições
O mês de novembro é marcado pelo movimento da igualdade racial, como luta para a ampliação de políticas públicas contra o racismo, a inclusão social na busca para uma sociedade mais igualitária e um país mais justo, que percebe, aceita e trabalha a sua diversidade.
A inquietante e necessária temática esbarra no apagamento e silenciamento histórico e cultural da população negra que frutificou e frutifica em seu próprio continente e fora dele, nos dias atuais.
Neste Ponto Memória, trazemos para reflexão um pouco mais sobre os saberes nas ciências exatas, cuja construção da história negra tece seu começo em seu território de origem, o continente africano.
Estudos científicos apontam que o ser humano teve sua origem na África e a Matemática é tão antiga quanto o tempo do ser no mundo.
Em recente entrevista ao jornal O Globo, 21 de novembro, o pesquisador e estudioso nigeriano, Akin Ogundiran, mencionou que "Tudo o que consideramos da civilização humana, todas as invenções na base do nosso progresso como seres humanos, da mitologia, passando pela tecnologia de ponta, até a construção de cidades, todas essas coisas aconteceram primeiro na África".

- Arqueólogo Akin Ogundiran (Google)
Como constatação disso, podemos citar os diversos vestígios das contribuições e dos inúmeros artefatos importantes para a prática da matemática na antiguidade espalhados em museus pelo mundo e ainda existentes nos países da África.
Considerando a origem negra africana das matemáticas, destacamos dois artefatos que estão relacionados às localidades da África Austral e do Congo : O osso de Lebombo e o bastão de Ishango.

- Osso de Lebombo (Google)
O osso de Lebombo (ou Libombo) foi encontrado nos Montes Libombos na África do Sul, e é uma fíbula de babuíno com aproximadamente 35.000 anos a.C., medindo de 7,7 centímetros e 29 entalhes. A peça serve para calcular e medir a passagem do tempo. O artefato ainda é utilizado por clãs de bosquímanos, membros de várias etnias de caçadores-coletores da África Austral, de acordo com pesquisadores.
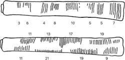
O Bastão de Ishango, data de 20.000 anos a.C e é considerado um dos objetos mais antigos da Matemática. O artefato é um osso petrificado medindo 10 cm de comprimento e com um cristal de quartzo em uma extremidade. Estudiosos entenderam que o cristal, provavelmente servia para gravar as informações na peça.

- Real Instituto Belga de Ciência Naturais (Google)
É considerado com profunda representatividade uma vez que é talhado estabelecendo um sistema numérico.

- Representação gráfica do osso de Ishango (Google)
Apesar de serem considerados objetos precursores da Matemática, o osso de Ishango e o Lebombo, há um objeto muito mais antigo que mostra o pensamento abstrato e geométrico, consequentemente matemático, chamado de Ocre de Blombos. O artefato data de 77.000 anos a.C..

- Ocre de Blombos (Google)
Podemos ousar dizer que, é possível que os primórdios da forma de calcular, de se fazer contagem, com o passar de cada período na história da humanidade, aproximaram as pessoas do que um dia viria a ser a ciência da computação com seus cálculos científicos. Afinal, cada sistema de cálculo matemático foi desenvolvido para resolver problemas complexos à sua época.
Pessoas eram designadas como computadores humanos, mesmo sem saber ainda o que seriam “computadores” nos significados atuais. Aqueles que conseguiam fazer grandes cálculos matemáticos aplicavam os conhecimentos herdados de povos africanos, é o que aponta estudos por arqueólogos e historiadores. Tema de pesquisa também da área da Etnomatemática.
Os artefatos de cálculo e classificação foram evoluindo de acordo com as necessidades em sociedade, e navegam pelo tempo, sem distinguir fronteiras às evoluções tecnológicas.
Para além do reconhecimento nas artes, na cultura, na culinária, nas tradições religiosas de matriz africana, a população negra distingue-se também nos campos da intelectualidade em diversos ramos do conhecimento, inclusive nas ciências exatas.
Assim, como personalidade marcante em nosso país, com a força da sua ancestralidade, dentre tantas pessoas negras representativas e que trouxeram valiosas contribuições, mesmo em meio a tanta adversidade, destacamos uma das primeiras doutoras em Matemática no país, Eliza Maria Ferreira Veras da Silva, docente aposentada do Instituto de Matemática e Estatística da Universidade Federal da Bahia. A professora é reconhecida como a mulher negra com o título mais antigo de doutorado na área.

- Dra. Eliza Maria Ferreira Veras da Silva (UFBA)
A valorização de intelectualidade negra tem sido negligenciada, e esta divulgação ressalta representantes notáveis.
No Brasil, o acesso à educação e às oportunidades ainda é restrito para a população negra devido ao racismo estrutural. No entanto, apesar das adversidades, muitos estudiosos negros têm se destacado e feito importantes avanços em várias áreas do conhecimento, superando barreiras e inspirando gerações.
As contribuições dos conhecimentos matemáticos africanos dão novo sentido ao protagonismo negro. É preciso reavivar as narrativas em sociedade e recontar essa parte silenciada da história da humanidade.
Créditos
Anmily Paula Martins (CM-LNCC), Genilda Machado Roli (CM-LNCC), Graziele Soares (SECIN-LNCC), Tathiana Tapajóz (SECIN-LNCC)
Imagens: Google
- O conteúdo deste Ponto Memória contou com informações preciosas do site Matemática fácil - https://www.matematicaefacil.com.br/2016/07/matematica-continente-africano-osso-ishango.html
- Mais sobre a Dra. Eliza Maria Ferreira Veras da Silva:
O Ponto Memória é uma divulgação do Centro de Memória do LNCC
Faça parte da memória da instituição! Tem algum material e quer compartilhar?
Navegue pelo site do Centro de Memória e veja como: https://memorialncc.com/